D200 series chemical fiber spindles are elastic ring connection spindles designed in accordance with my country's national conditions and adapted to the development of the textile industry.
Structural features:
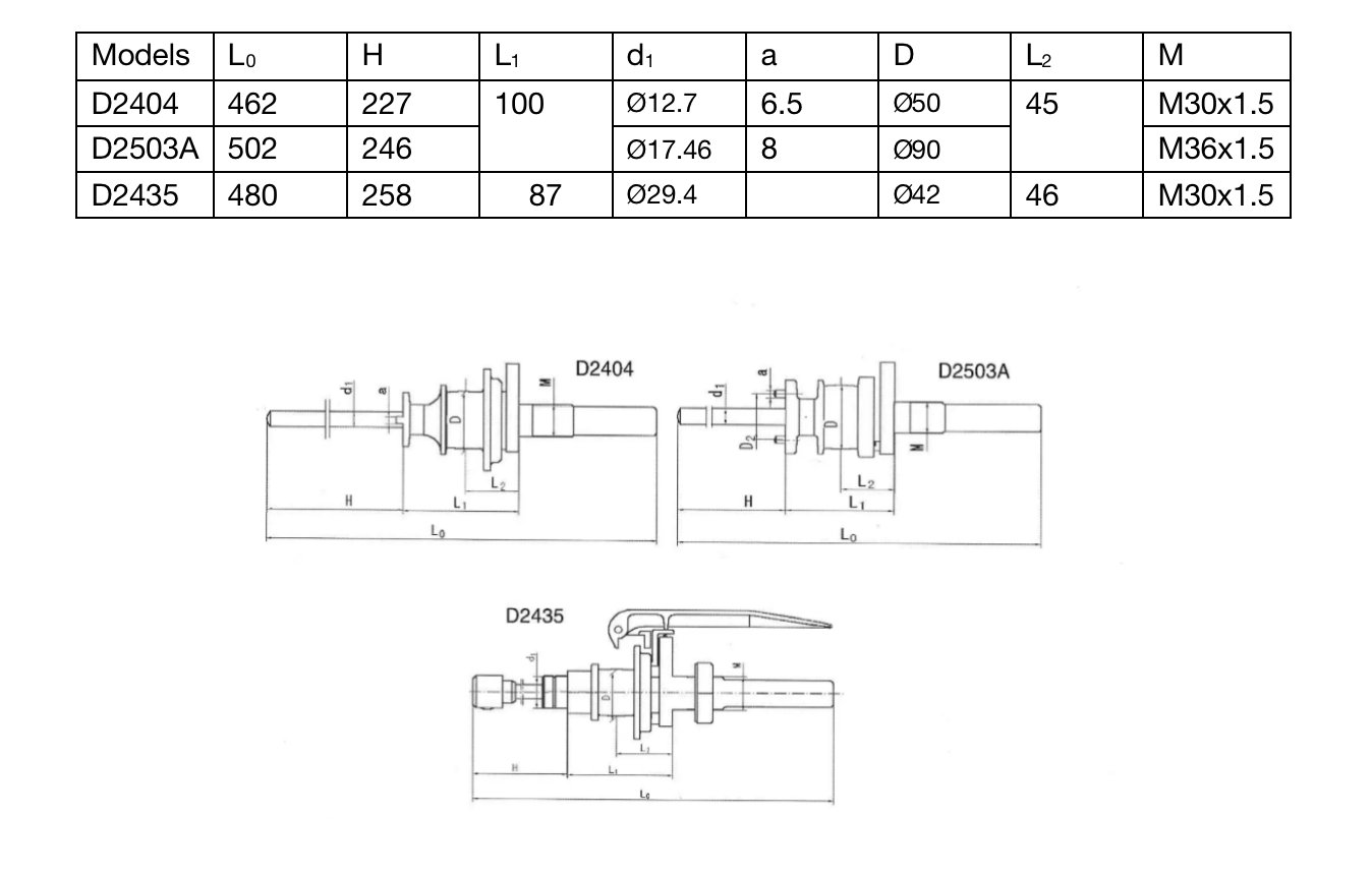
D2404, D2503A, D2435 chemical fiber spindles are all bare spindles, with pins or convex aligners driving the bobbin, the upper support is rigidly connected, the axial direction has a buffering effect, the lower support is elastically connected, the spindle has a radial automatic self-aligning function when rotating at high speed in the working state, and the coil spring uses the viscous damping of the multi-layer oil film to absorb the vibration energy, which can effectively reduce the amplitude of the spindle.
